April 16th, 2026 6:29AM EDT
1(888)626-4365
Lynch Fluid Controls logo
LYNCH STANDARD VALVE PACKAGES
Two speed sandwich
STANDARD SPECIFICATIONS
Standard Materials:
Aluminum or ductile iron with flow rates up to 120 GPM.
Solenoid Options:
Normally open or Normally closed.
Coils ranges:
Standard 24 VDC and 110 VAC. Optional 12 VDC to 230 VAC coils.
Connector Type:
Lighted DIN is standard, other types available as non-standard.
Standard Flow Control Option:
Needle valve, flow control with reverse free flow check, or pressure compensated flow control with standard screw adjustment.
Non-Standard Adjustment Options:
Hand knob "K", calibrated hand knob "H", tri-grip hand knob "Y" or fixed settings "X".
Seals:
Buna "N"(standard), Viton® or EPDM (dependant on configuration)

APPLICATIONS

Generic machine equipment
Machine tools - Lynch's Two-Speed Valve enables the operation of machinery at multiple speeds. This compact, cost effective solution provides an effective approach to transitioning from high to low speeds.
Generic pressing machine
Presses - Enabling rapid extension of the cylinder and a fine feed control in press applications in a compact format at a lower installed cost.

TWO SPEED VALVES

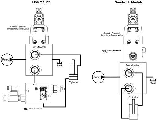
Contained in a small efficient package, the Lynch Two-Speed Valve is built to go from full speed to a slow controlled motion by simply energizing the solenoid. Commonly referred to as Rapid Advance and Feed Valves, Lynch’s Two-Speed valves are pre-engineered hydraulic packages, which incorporate flow control and solenoid valves in one valve assembly in order to allow equipment to operate at multiple speeds. When properly applied these packages control multiple flows in a hydraulic system in order to limit the speed at which the equipment is operating. These valves are available in line mounted style or in ISO Modules with up to six different circuits: Meter In P, Meter Out T, Meter Out A or B, Meter In A or B. Actuators connected to Two-Speed valves can initially move fast or slow using either a normally open or normally closed solenoid valve respectively.

FEATURES AND BENEFITS

  • Compact, cost effective solution to multi-speed applications.
  • Rated from nominally 15 to 120 GPM and up to 5000 PSI.
  • Compensated or non-compensated flow controls available.
  • Uses standard D03-D10 valve interfaces.
  • Viton seals available as a non-standard option upon request.

BLOCK DIAGRAM

Two speed block diagram

BUILD A TWO-SPEED VALVE

Type:
Type
Unselected
--
Unselected
--
2 Speed (RAF) Sandwich Module
RM
Material
Material:
Unselected
-
Unselected
-
Aluminum
A
Ductile Iron
D
Interface
Interface:
Unselected
---
Unselected
---
D03 - ISO 4401-03-02 / NFPA T3.5.1
03G
D05 (Dual Tank) - ISO 4401-05-04 / NFPA T3.5.1
05T
D05 Alt B - (USA Standard) NFPA T3.5.1
05H
D05 Alt A - ISO 4401-05-05 (EURO) / NFPA T3.5.1
05E
D07 - ISO 4401-07-06 / NFPA T3.5.1
07G
D08 - ISO 4401-08-07 / NFPA T3.5.1
08G
Circuit
Circuit:
Unselected
--
Unselected
--
METER IN P or METER OUT T
1P
METER IN or METER OUT A or B
1A
METER IN P
2P
METER OUT T
2T
METER OUT A or METER IN b
2A
METER OUT B or METER IN A
2B
METER IN P
3P
METER OUT T
3T
METER OUT A
3A
METER OUT B
3B
METER IN A
3C
METER IN B
3D
METER IN P
4P
METER OUT A
4A
METER OUT B
4B
METER IN A
4C
METER IN B
4D
-
Solenoid
Solenoid and Flow Control:
Unselected
-
Unselected
-
Direct Acting Spool, Needle with FF Check, Version 11
A
Direct Acting Poppet, Needle with FF Check, Version 11
B
Pilot Operated Poppet, Needle with FF Check, Version 11
C
Pilot Operated Poppet, Needle with FF Check, Version 12
D
Direct Acting Spool, Needle, Version 11
E
Direct Acting Poppet, Needle, Version 11
F
Pilot Operated Poppet, Needle, Version 11
G
Pilot Operated Poppet, Needle, Version 12
H
Direct Acting Spool, PC Flow Control, Version 11
N
Direct Acting Poppet, PC Flow Control, Version 11
O
Pilot Operated Poppet, PC Flow Control, Version 11
P
Pilot Operated Poppet, PC Flow Control, Version 12
Q
Adjustment Type
Adjustment Type:
Unselected
-
Unselected
-
Standard Screw
L
Hand-Knob
K
Calibrated Hand-Knob
H
Flow Control
Select Solenoid/Flow Control First:
Unselected
-
Unselected
-
Select Solenoid/Flow Control First
A
Select Solenoid/Flow Control First
C
Select Solenoid/Flow Control First
E
Select Solenoid/Flow Control First
G
N
Rest Condition
Rest Condition:
Unselected
-
Unselected
-
Normally Closed
U
Normaly Open
F
Voltage
Voltage:
Unselected
-
Unselected
-
110 VAC
11
24 VDC
24
Connector Options
Connector Options:
Unselected
-
Unselected
-
DIN w/LED & VDR (PG11)
D
Welcome to the Part Number Generator
The part number you have selected is only available by special order. Please contact your Lynch representative for more details.
The part number you have selected is not a standard configuration. Please contact your Lynch representative for more details.
Lynch Headquarters Mississauga on map.
Canada
1799 Argentia Road
Mississauga, Ontario, L5N 3A2
Lynch Headquarters New York on map.
U.S.A.
3790 Commerce Court Suite 500,
North Tonawanda, New York, 14120
Lynch Hanover on a map.
Europe & Middle East
Hanover, Germany